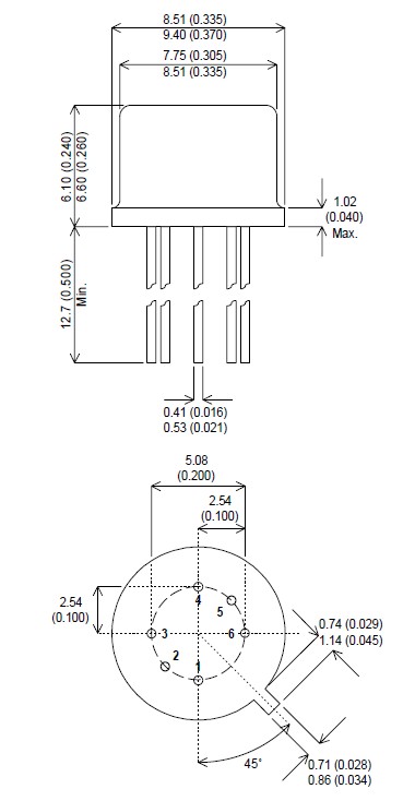
Product Summary
The 2N2914 is a dual NPN planar transistor in TO77 package.
Parametrics
2N2914 absolute maximum ratings: (1)VCBO Collector Base Voltage: 45V; (2)VCEO Collector Emitter Voltage: 45V; (3)VEBO Emitter Base Voltage: 6V; (4)IC Continuous Collector Current: 30A; (5)PD Total Device Dissipation TAMB = 25℃: 300mW; (6)Derate above 25℃: 1.72mW / ℃; (7)PD Total Device Dissipation TC = 25℃: 750mW; (8)Derate above 25℃: 4.3mW / ℃; (9)TSTG Storage Temperature Range: –65 to 200℃; (10)TL Lead temperature (Soldering, 10 sec.): 300℃.
Features
2N2914 features: (1)V(BR)CBO Collector Base Breakdown Voltage when IC = 10mA IE = 0: 45V; (2)V(BR)CEO Collector Emitter Breakdown Voltage when IC = 10mAIB = 0: 45V; (3)V(BR)EBO Emitter Base Breakdown Voltage when IE = 10mA IC = 0: 6V; (4)hob Small Signal Common Base Output Admittance when VCB = 5V IC = 1mA f = 1kHz: 1μmho; (5)|hfe| Small Signal Common Base Current Gain when VCE = 5V IC = 500mA f = 20MHz: 3.
Diagrams

| Image | Part No | Mfg | Description | ![]() |
Pricing (USD) |
Quantity | ||||||||||||
|---|---|---|---|---|---|---|---|---|---|---|---|---|---|---|---|---|---|---|
![]() |
![]() 2N2914 |
![]() Other |
![]() |
![]() Data Sheet |
![]() Negotiable |
|
||||||||||||
| Image | Part No | Mfg | Description | ![]() |
Pricing (USD) |
Quantity | ||||||||||||
![]() |
![]() 2N2904 |
![]() Other |
![]() |
![]() Data Sheet |
![]() Negotiable |
|
||||||||||||
![]() |
![]() 2N2904A |
![]() Central Semiconductor |
![]() Transistors Bipolar (BJT) PNP Gen Pur SS |
![]() Data Sheet |
![]()
|
|
||||||||||||
![]() |
![]() 2N2904AL |
![]() Other |
![]() |
![]() Data Sheet |
![]() Negotiable |
|
||||||||||||
![]() |
![]() 2N2904U |
![]() Other |
![]() |
![]() Data Sheet |
![]() Negotiable |
|
||||||||||||
![]() |
![]() 2N2904U1 |
![]() Other |
![]() |
![]() Data Sheet |
![]() Negotiable |
|
||||||||||||
![]() |
![]() 2N2905 |
![]() STMicroelectronics |
![]() Transistors Bipolar (BJT) USE 511-2N2905A TO-39 PNP GEN PUR SS |
![]() Data Sheet |
![]() Negotiable |
|
||||||||||||
(China (Mainland))











