Product Summary
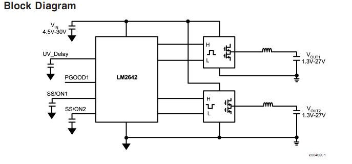
The LM2642MTC is a Two-Phase Synchronous Step-Down Switching Controller. It consists of two current mode synchronous buck regulator controllers with a switching frequency of 300kHz. The LM2642MTC features analog soft-start circuitry that is independent of the output load and output capacitance. This makes the soft-start behavior more predictable and controllable than traditional soft-start circuits. The applications of the LM2642MTC are Embedded computer systems, High end gaming systems, Set-top boxes, WebPAD.
Parametrics
LM2642MTC absolute maximum ratings: (1)Voltages from the indicated pins to SGND/PGND: VIN, ILIM1, ILIM2, KS1, KS2:-0.3V to 32V, SW1, SW2, RSNS1, RSNS2:-0.3 to (VIN +0.3)V, FB1, FB2, VDD1, VDD2:-0.3V to 6V, PGOOD, COMP1, COMP2, UV Delay:-0.3V to (VLIN5+0.3)V, ON/SS1, ON/SS2:-0.3V to (VLIN5+0.6)V, CBOOT1 to SW1, CBOOT2 to SW2:-0.3V to 7V, LDRV1, LDRV2:-0.3V to (VDD+0.3)V, HDRV1 to SW1, HDRV2 to SW2:-0.3V, HDRV1 to CBOOT1, HDRV2 to CBOOT2:+0.3V; (2)Power Dissipation:1.1W; (3)Ambient Storage Temperature Range:-65℃ to +150℃; (4)ESD Rating:2kV.
Features
LM2642MTC features: (1)Two synchronous buck regulators; (2)180° out of phase operation; (3)4.5V to 30V input range; (4)Power good function monitors Ch.1; (5)37μA Shutdown current; (6)0.04% (typical) line and load regulation error; (7)Current mode control with or without a sense resistor; (8)Independent enable/soft-start pins allow simple sequential startup configuration; (9)Configurable for single output parallel operation; (10)Adjustable cycle-by-cycle current limit; (11)Input under-voltage lockout; (12)Output over-voltage latch protection; (13)Output under-voltage protection with delay; (14)Thermal shutdown; (15)Self discharge of output capacitors when the regulator OFF; (16)TSSOP package.
Diagrams

| Image | Part No | Mfg | Description | ![]() |
Pricing (USD) |
Quantity | ||||||||||||
|---|---|---|---|---|---|---|---|---|---|---|---|---|---|---|---|---|---|---|
![]() |
![]() LM2642MTC |
![]() National Semiconductor (TI) |
![]() DC/DC Switching Controllers |
![]() Data Sheet |
![]()
|
|
||||||||||||
![]() |
![]() LM2642MTC/NOPB |
![]() National Semiconductor (TI) |
![]() DC/DC Switching Controllers |
![]() Data Sheet |
![]()
|
|
||||||||||||
![]() |
![]() LM2642MTCX/NOPB |
![]() National Semiconductor (TI) |
![]() DC/DC Switching Controllers |
![]() Data Sheet |
![]()
|
|
||||||||||||
![]() |
![]() LM2642MTCX |
![]() National Semiconductor (TI) |
![]() DC/DC Switching Controllers |
![]() Data Sheet |
![]()
|
|
||||||||||||
(China (Mainland))










