Product Summary
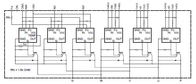
The PM100CVA120 is an Intelligent Power Module. It is isolated base modules designed for power switching applications operating at frequencies to 20kHz. Built-in control circuits provide optimum gate drive and protection for the IGBT and free-wheel diode power devices. The applications of the PM100CVA120 include Inverters, UPS, Motion/Servo Control, Power Supplies.
Parametrics
PM100CVA120 absolute maximum ratings: (1)Power Device Junction Temperature: -20 to 150 ℃; (2)Storage Temperature: -40 to 125 ℃; (3)Case Operating Temperature: -20 to 100 ℃; (4)Mounting Torque, M5 Mounting Screws: 2.5 ~ 3.5 N · m; (5)Mounting Torque, M5 Main Terminal Screws: 2.5 ~ 3.5 N · m; (6)Module Weight (Typical): 730 Grams; (7)Supply Voltage (Applied between P - N): 1000 Volts; (8)Supply Voltage Protected by SC (VD = 13.5 ~16.5V, Inverter Part, Tj = 125℃ Start): 800 Volts; (9)Isolation Voltage (Main Terminal to Baseplate, AC 1 min.): 2500 Vrms.
Features
PM100CVA120 features: (1)Complete Output Power Circuit; (2)Gate Drive Circuit; (3)Protection Logic: Short Circuit, Over Temperature, Under Voltage.
Diagrams

| Image | Part No | Mfg | Description | ![]() |
Pricing (USD) |
Quantity | ||||||||||||
|---|---|---|---|---|---|---|---|---|---|---|---|---|---|---|---|---|---|---|
![]() |
![]() PM100CVA120 |
![]() |
![]() MOD IPM 6PAC 1200V 100A |
![]() Data Sheet |
![]()
|
|
||||||||||||
| Image | Part No | Mfg | Description | ![]() |
Pricing (USD) |
Quantity | ||||||||||||
![]() |
![]() PM1000G1 |
![]() Anderson Power Products |
![]() Heavy Duty Power Connectors CRIMP TOOL 4 INDENT |
![]() Data Sheet |
![]()
|
|
||||||||||||
![]() |
![]() PM1002G1 |
![]() Anderson Power Products |
![]() Heavy Duty Power Connectors INSERTION TOOL TOOL |
![]() Data Sheet |
![]()
|
|
||||||||||||
![]() |
![]() PM1003G1 |
![]() Anderson Power Products |
![]() Heavy Duty Power Connectors EXTRACTION TOOL TOOL |
![]() Data Sheet |
![]()
|
|
||||||||||||
![]() |
![]() PM1008-100K |
![]() J.W. Miller |
![]() RF Inductors 10uH 10% |
![]() Data Sheet |
![]() Negotiable |
|
||||||||||||
![]() |
![]() PM1008-100K-RC |
![]() J.W. Miller |
![]() RF Inductors 10uH 10% |
![]() Data Sheet |
![]()
|
|
||||||||||||
![]() |
![]() PM1008-10NM |
![]() J.W. Miller |
![]() RF Inductors 10nH 20% |
![]() Data Sheet |
![]() Negotiable |
|
||||||||||||
(China (Mainland))













